EU4 (2018)
-
F00 CVT AIR PIPE
-
F01 LOCK KIT
-
F02-1-A MUFFLER
-
F02-1-B MUFFLER(NA)
-
F02-2 HEAT INSULATION PLATE
-
F03 FRAME
-
F04-1-A FRONT PLASTICS-PEARL BLACK
-
F04-1-B FRONT PLASTICS-TIMBER CAMO
-
F04-1-C FRONT PLASTICS-CRYSTAL ORANGE
-
F04-1-D FRONT PLASTICS- NEBULA BLACK
-
F04-2-A FRONT PLASTICS-PEARL BLACK
-
F04-2-B FRONT PLASTICS-TIMBER CAMO
-
F04-2-C FRONT PLASTICS-CRYSTAL ORANGE
-
F04-2-D FRONT PLASTICS- NEBULA BLACK
-
F04-3-A MIDDLE PLASTICS-PEARL BLACK
-
F04-3-B MIDDLE PLASTICS-MAPLE CAMO FOR HUNTING
-
F04-3-C MIDDLE PLASTICS-CRYSTAL ORANGE
-
F04-3-D MIDDLE PLASTICS-PEARL BLACK(RUSSIAN)
-
F04-3-E MIDDLE PLASTICS-MAPLE CAMO FOR HUNTING(RUSSIAN)
-
F04-3-F MIDDLE PLASTICS-CRYSTAL ORANGE(RUSSIAN)
-
F04-3-G MIDDLE PLASTICS-NEBULA BLACK
-
F04-4-A REAR PLASTICS -PEARL BLACK
-
F04-4-B REAR PLASTICS -MAPLE CAMO FOR HUNTING
-
F04-4-C REAR PLASTICS -CRYSTAL ORANGE
-
F04-4-D REAR PLASTICS -NEBULA BLACK
-
F04-5 BOTTOM PLASTICS
-
F04-6-A REFLECTOR
-
F04-6-B REFLECTOR(CANADA)
-
F05-1 FRONT SUSPENSION
-
F05-2-A FRONT SHOCK ABSORBER-OIL
-
F05-2-B FRONT SHOCK ABSORBER(GAS)-BLACK
-
F05-2-C FRONT SHOCK ABSORBER(GAS)-CORAL BLUE
-
F05-2-D FRONT SHOCK ABSORBER(GAS)-CRYSTAL ORANGE
-
F05-2-E FRONT SHOCK ABSORBER(GAS,RUSSIA)
-
F06-1-V1 REAR SUSPENSION
-
F06-1-V2 REAR SUSPENSION
-
F06-2-A REAR SHOCK ABSORBER(OIL)
-
F06-2-B REAR SHOCK ABSORBER(GAS)-BLACK
-
F06-2-C REAR SHOCK ABSORBER(GAS)-CORAL BLUE
-
F06-2-D REAR SHOCK ABSORBER(GAS)-CRYSTAL ORANGE
-
F06-2-E REAR SHOCK ABSORBER(GAS,RUSSIA)
-
F07 FRONT WHEEL
-
F08-A BRAKE SYSTEM-LH,PARKING
-
F08-B BRAKE SYSTEM-RH,PARKING
-
F10-1-A HANDLEBAR
-
F10-1-B HANDLEBAR(NA)
-
F10-2-A STEERING SYSTEM
-
F10-2-B STEERING SYSTEM(EPS,NGYANG)
-
F10-2-C STEERING SYSTEM(EPS,ACDELCO)
-
F11 REAR WHEEL
-
F12-A FUEL TANK
-
F12-B FUEL TANK(USA)
-
F13-A SEAT -BLACK
-
F13-B SEAT -BLACK AND GRAY
-
F14-A RACK(STANDARD)
-
F14-B RACK(LOF)
-
F15-1 ELECTRIC SYSTEM
-
F15-2 TOWING WINCH
-
F15-3-A FUEL INJECTION SYSTEM(NO FUEL VAPORIZATION SYSTEM)
-
F15-3-B FUEL INJECTION SYSTEM(FOR FUEL VAPORIZATION SYSTEM)
-
F16-A LIGHTS(EURO)
-
F16-B LIGHTS(NA)
-
F17 DASHBOARD
-
F18 COOLING SYSTEM
-
F19-1-A DECAL(CRYSTAL ORANGE)
-
F19-1-B DECAL(PEARL BLACK)
-
F19-1-C DECAL(TRUE TIMBER CAMO)
-
F19-2 DECAL WARNING
-
F20-A TOOLS(168@^LOF)
-
F20-B TOOLS(NA)
-
F23-A BUMPER
-
F23-B BUMPER(NA)
-
F27 FRONT CV SHAFT
-
F28 REAR CV SHAFT
-
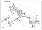
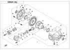
F30-V1 DRIVETRAIN SYSTEM
-
F30-V2 DRIVETRAIN SYSTEM
-
F31 FRONT AXLE
-
F32 GEAR SHIFTING
-
F33-A REAR AXLE(WITH AUTOMATIC DIFFERENTIAL LOCK)
-
F33-B REAR AXLE(WITH JAW DIFFERENTIAL LOCK)
-
F33-C REAR AXLE(NO DIFFERENTIAL)
-
F36 FUEL VAPORIZATION SYSTEM
-
F38 OWNER'S MANUAL
-
F40 TOWBAR
-
F41-V1 AIR FILTER ASSY.
-
F41-V2 AIR FILTER ASSY.
-
F41-V3 AIR FILTER ASSY.
-
Motor
Nejprodávanější
Řazení produktů
1159 položek celkem
